利用CO2气体反溶剂法自萘渣中回收制备精萘
合作区域:
拟投入总金额: 万元
所属地域: 江北区
技术领域: 化学科学部
技术交易金额: 0.0万元
发布日期: 2025-11-21
登录后查看。
信息描述
技术简介:

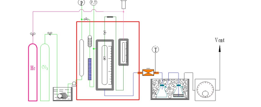
萘是煤焦油中最重要和含量最高的组分。萘的分离精制在焦油加工中占有较大的份额。而硫茚是一种相当稳定的有机硫化合物,即使在萘沸腾的温度下,使用熔融碱为脱硫剂也不能从萘中清除。因此,萘-硫茚的分离难度较大。焦化厂和煤气厂的终冷塔聚集的萘渣,主要成分为萘和硫茚。常规精馏法分离萘和硫茚的缺点在于采用较多的塔板数也不易获得较高纯度的萘。而溶剂精馏法工艺,虽然塔板数较少,且萘的纯度可以明显提高,但操作仍在高温下进行,工艺流程长,能耗大。本课题采用CO2气体反溶剂法从萘渣中制备精萘。其主要优点在于:工艺简单、操作温度低(常温)。选择合适的溶剂很容易使萘的纯度达到98%以上。二次结晶后可实现进一步纯化,获得纯度99%的高纯萘。CO2气体和有机溶剂均可以回收利用。节能效果显着。